蝸輪蝸桿減速機型號多樣化可供選擇,輸出方式可按照設備要求來選擇。
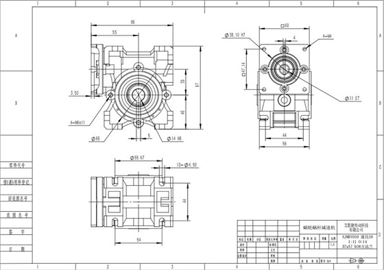
艾思捷SJMRV030速比10 57*57 D38安裝尺寸圖紙;
艾思捷蝸輪蝸桿減速機,SJMRV030速比10的安裝尺寸圖紙。艾思捷專注蝸輪蝸桿減速機定制,蝸輪蝸桿減速機輸出形式多樣、型號多樣,有需要可以聯(lián)系:盛工 18116258006、 尹女士13262846677.